Custom Order Guide (PDF)
Custom Order Online Form
Required Information:
- Provide the fitting type, size, material (e.g. cast iron, steel), and working pressure.
- Email 2+ photos of the fitting from different angles to info@plcsusa.com.
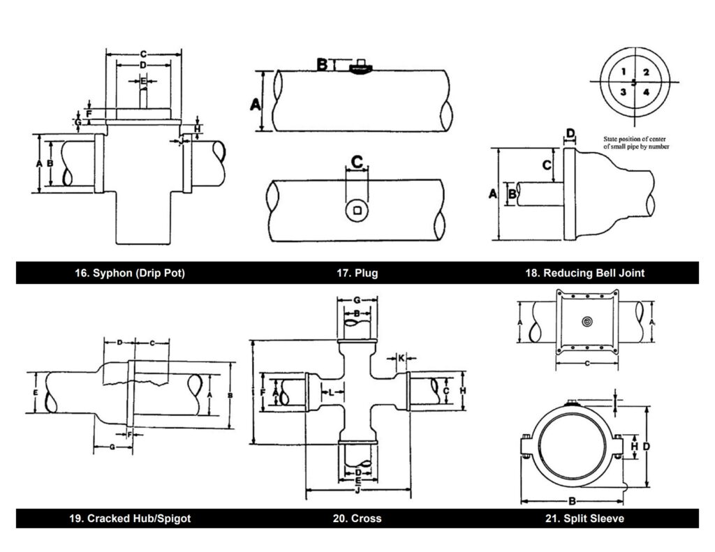
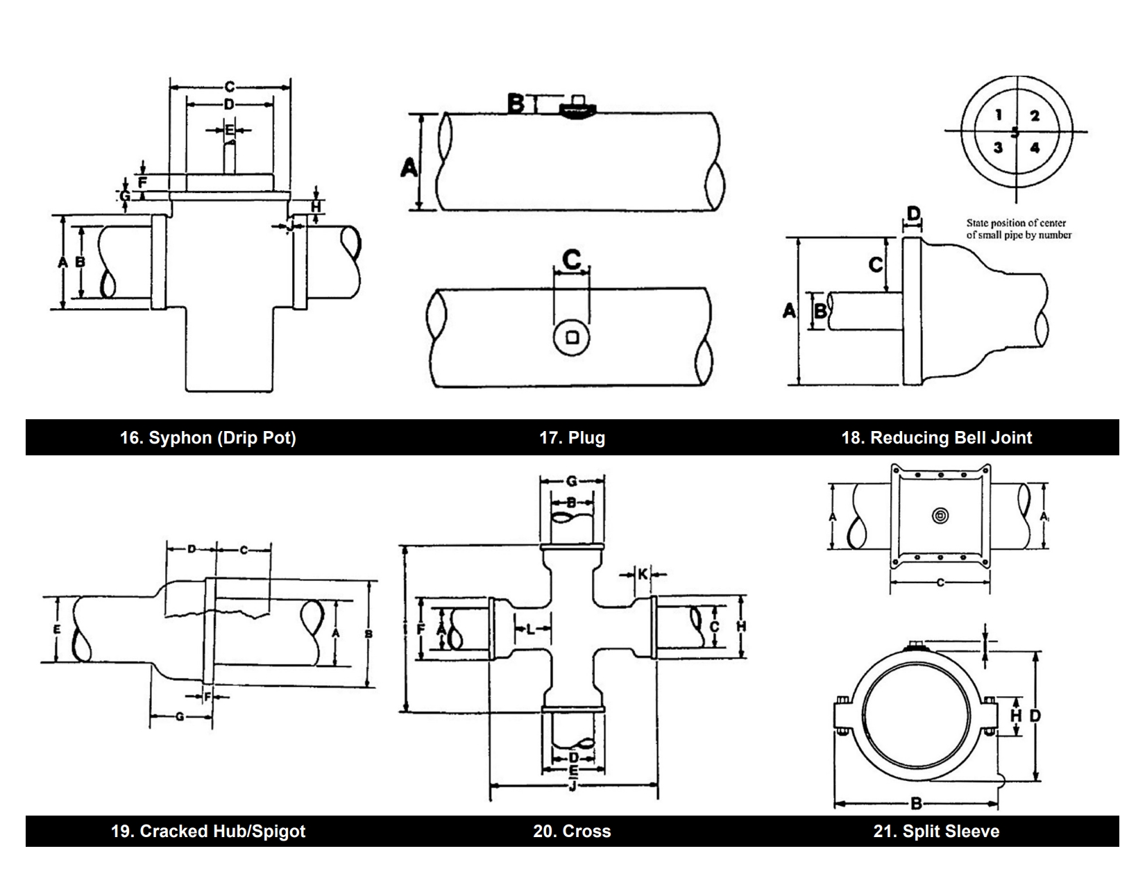
- Using the drawings on the following pages, measure and record each lettered dimension in inches.
- Measurements must be exact, do not oversize.
- For circular parts, note whether measurements are diameter or circumference.
- Note any obstructions that may interfere with mold placement.
- Specify dry kit (standard) or wet kit (with sealant).Include your name, company, job location, phone number, P.O. # or credit card, and shipping instructions.
- If your fitting isn’t shown in the drawings, provide a fully dimensioned sketch with all protrusions, lugs, and bolts, plus 2+ photos from different angles.






